Anreichern von Wasser mit Wasserstoff in der Praxis

Sinn, Grundlagen, Testen käuflicher H2-Geräte  -  alternative Bauanleitungen für günstigere Alternativen

Elektrische Druckabschaltung in den Booster-Deckel integrieren

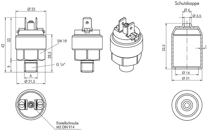
Falls noch ein wenig Platz im elektrischen Teil der Booster-Flasche ist, lässt sich dort recht leicht eine Buchse integrieren, welche es Zusatzgeräten ermöglicht, die Erzeugung von H2-Gas zu stoppen. Ist in der Buchse kein Stecker eingesteckt, dann ändert sich am Verhalten der Booster-Flasche gar nichts. Wird der passende Mono-Audio-Klinken-Stecker eingesteckt, wird nur noch H2-Gas erzeugt, wenn die beiden am Stecker angeschlossenen Kabel-Adern verbunden werden. Das kann genutzt werden, um das Boosten bei einem einstellbaren Druck in der Flasche zu stoppen. Dazu wird ein elektrischer Druckschalter benötigt, der als "Öffner" arbeitet, also bei erreichtem Druck öffnet und bei geringerem Druck wieder schließt.
Dieser Druckschalter der Firma Riegler (Öffner, 1-10 bar, Gewinde G 1/8") ist z.B. geeignet in den Flaschendeckel eingebaut zu werden:
Druckschalter mini G1 8 LandefeldDruckschalter mini G1 8 Landefeld Skizze

So sieht beispielsweise ein Deckel einer Booster-Flasche zerlegt aus (ganz rechts das primitive Überdruckventil bestehend aus Gummiplättchen, Stempel und Feder):

Nano Druckschalter Deckel 5

Ausgebohrt lässt sich hier leicht ein Schraubgewinde-Anschluss oder eben der Druckschalter anstelle des Ventils integrieren. Im Handel gibt es eine Vielzahl unterschiedlichster Verbindungs-Nippel, die eingeschraubt und/oder mit 2-Komponenten Klebstoff eingegossen werden können.

Nano Druckschalter Deckel 2

Nano Druckschalter Deckel 3Nano Druckschalter Deckel 4

 

Anschlussbuchse in das Grundgerät integrieren

So kann der Einbau kann der Einbau einer Schaltbuchse erfolgen (hier am Beispiel eines Nano-Boosters von Aquavolta)
Nano Buchse 1Nano Buchse 2
Einbauteile (Buchse + Stecker) sowie fertiges Einbauteil mit angelötetem Kabelstück und blauem Flachstecker

An der Buchse wird eine Anschlussfahne seitlich etwas abgebogen, und die anderen beiden Lötfahnen werden an das kurze Kabel angeschlossen.
Später wird nur der Original-Flachstecker des Boosters von der PEM-Zelle abgezogen und an die abgewinkelte Lötfahne angesteckt, der angelötete blaue Flachstecker wird dann dafür an die PEM-Zelle angesteckt.

Zum Einbau unten das schwarze Gummipolster entfernen und die vier zum Vorschein kommenden kleinen, tief versenkten Kreuz-Schrauben lösen. Der weiße Boden kann dann mit einem Messer vorsichtig aus dem Alu-Gehäuse gelöst und herausgezogen werden. So sieht es dann innen aus:
Nano Buchse 3Nano Buchse 4

Bild links: Akku herausgehoben, blauer Stecker vom Minus-Pol der PEM-Zelle abgezogen und ein Loch mit 6 mm Durchmesser neben dem Stecker für die PEM-Zelle gebohrt (Abstand vom Gehäuserand ca. 12 mm)
Bild rechts: Das angefertigte Bauteil mit der Buchse zwischen Original-Stecker und PEM-Zelle einstecken (Den Stecker an der Buchse vorher mit einer Zange etwas enger zusammenpressen, damit er fest an der Lötfahne der Buchse steckt.)

Nano Buchse 6Nano Buchse 5

Buchse jetzt in der gezeigten Orientierung einsetzen und festschrauben (Stecker an der Buchse zeigt schräg nach unten auf die Elektronik-Platine).
Dann den Akku wieder einlegen, zuschrauben, schwarzes Gummipolster wieder aufkleben (Loch über den Gas-Auslass). Fertig!

Wichtig: vor dem Zuschrauben prüfen, dass die Schaltkontakte ohne eingesteckten Stecker geschlossen sind, und sich beim Einstecken öffnen. Durch das Anschrauben in der Rundung können sie sich verbiegen und müssen dann nachjustiert werden. Außerdem dürfen keine Kabel die vier Schraub-Punkte für die Bodenschrauben überdecken.